 
	
放射式接线方式如下图所示,从图中可知从低压母线引出专用供电线路给某一用电设备进行供电,线路与线路之间互不影响,某低压供电线路发生了故障不会影响其他供电线路的正常工作,所以这种接线方式的低压线路供电可靠性较高,同时容易实现选择性动作,故障切除范围小,线路发生故障后容易寻找故障位置,便于检查、维修等优点。但是这种接线方式需要开关设备、电缆、保护管数量多。GB5002-2009《供配电系统设计规范》中规定“当用电设备为大容量或负荷性质重要,或在有特殊要求的建筑物内,宜采用放射式配电。”
	
树干式接线方式如下图所示。树干式接线方式与放射式接线方式特点正好相反,采用树干式接线方式采用的开关设备较少,消耗电缆、保护管数量少,但是一旦干线上发生了故障,造成停电范围大,从而供电可靠性相对较差。GB5002-2009《供配电系统设计规范》中规定“在正常环境的建筑物内,当大部分用电设备为中小容量,且无特殊要求时,宜采用树干式配电。”树干式接线主要应用在高层、多层建筑竖井内垂直装设的封闭式母线或预分支电缆等。
	
	 
	
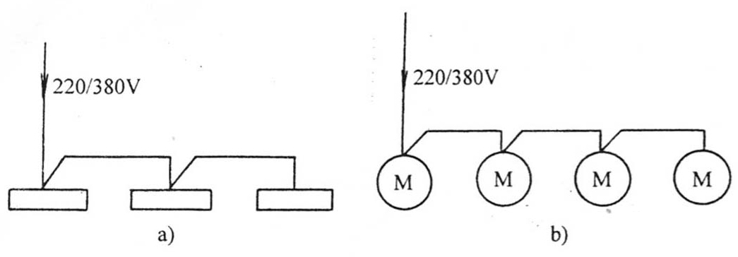
链式接线的特点与树干式基本相同,适于用电设备彼此相距很近而容量均较小的次要用电设备。链式相连的用电设备一般不宜超过5台,链式相连的配电箱不宜超过3台,且总容量不宜超过10kW。GB5002-2009《供配电系统设计规范》中规定“当部分用电设备距供电点较远,而彼此相距很近、容量很小的次要用电设备,可采用链式配电,但每一回路环链设备不宜超过 5 台,其总容量不宜超过 10kW。容量较小用电设备的插座,采用链式配电时,每一条环链回路的设备数量可适当增加。”链式接线适用于可靠性要求不高、小功率用电设备及多层建筑照明配电箱。主要缺点是链式接线线路发生故障时,扩大了停电范围。
	
	 
	
	
	