UL热线:13916126869咨询热线:021-67558777
法腾电力科技有限公司
智能云平台
当前位置: 首 页>> 新闻资讯>> 行业新闻>> 真空发电机出口断路器及成套设备(二)

真空发电机出口断路器及成套设备(二)

发布日期:2022-12-21 作者:法腾电力 点击:

4.  发电机真空断路器开关柜的好处

发电机真空断路器开关柜有如下好处:

安全性:

无需处理开关气体,也不需要高、低气压的监控,空气作为绝缘介质,始终可用

符合IEC62271-200/GB3906的工厂组装,经过类型测试的开关柜

使用免维护,通过型式试验的真空断路器,在额定电流下可运行10,000个操作循环

由于真空断路器内部的活动部件数量少,因此真空断路器的可靠性很高

具有高压开关柜标准规定的安全要求

所有操作均关闭高压门进行

IAC A FLR的内部电弧试验开关设备,抵抗内部故障,通过管道集中泄压

服务连续性类别LSC 2B

隔墙等级PM(抗压设计的金属分隔)

防护等级IP4X

逻辑机械联锁系统

环境友好性

开关设备和所有组件的使用寿命长(超过20年)

空气作为绝缘介质,对环境无害

真空开关技术,不用每隔几年充气

切换电弧或内部电弧时,无毒物分解产物

无需压力监测

所使用的材料无需特殊知识即可完全回收

灵活性

使用全球可用的标准组件,标准化电流、电压互感器

低压设备的灵活性(不同的隔室尺寸,可插拔的电线,可移动的低压舱)

可以在功率扩容的情况下进行改装(附加电缆,新的互感器)没有问题

模块化设计,快速访问提供的所有隔间,工厂组装和测试,从而减少了安装工作和现场调试抽出式设计,可快速更换断路器,易于处置

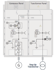
5. 发电机真空断路器开关柜应用

典型一次方案图如下,发电机断路器两侧都装有电压互感器、接地开关、阻容吸收器,在靠近发电机一侧,燃气轮机等应用要求增加一台SFC静态变频启动出线柜,SFC把频率可调的交变电流加到发电机定子上,使发电机变成电动机动起来带动同轴的燃气轮机启动;在升压变一侧,有些需要辅助扩展出线。

图2 典型发电机断路器开关柜一次系统图

a. 不同于SF6发电机断路器自身配备两侧接地开关、电压互感器、电流互感器、避雷器阻容吸收装置等组成系统设备,真空断路器安装于金属铠装开关柜内,因此一次元器件、铜母排都安装在金属外壳里面,一般4000A及以下的发电机断路器同普通配电断路器尺寸相同,都采用中置式结构,而大于4000A一般采用落地式结构,还有采用隔离开关加固定式断路器水平布置结构。真空发电机开关柜按高压开关柜的标准GB3906/IEC62271-200设计、考核。

b. 一般主要由中间两台开关柜组成,即左侧作为发电机进线断路器柜,主要包括发电机侧阻容吸收器、电压互感器、接地开关;右侧作为辅助出线柜,使升压变侧阻容吸收器、电压互感器和接地开关;也有一些应用只要求在断路器一侧安装阻容吸收装置和电压互感器的,从而实现一台开关柜上进下出的设计;如需要SFC和辅助电源出线的两侧还要各增加两台开关柜。

图3 发电机真空断路器开关柜布置

对于5000A以上的更多隔离开关加固定式断路器水平布置结构,按单线图依次布置元器件,属于金属封闭式开关柜结构,没有金属板隔室分隔。这种结构散热条件好,有利于大电流温升,同样安装维护方便。


图4  发电机真空断路器开关柜水平布置


c. 车载发电机出口开关柜

以GE TM2500车载真空发电机断路器开关柜为例,介绍车载发电机出口开关柜,TM2500是通用电气燃气发电机系统,有固定式电站和移动式电站系统,发电机15kV 35MW。

由于应用于发电机出口,直接与发电机相连,首先需要满足系统要求,即选用50kA发电机出口断路器作为主开关,两侧压变、CT配备,还需要发电机中性点CT及中性点接地变压器;由于安装在拖车上,因此需要重量轻,尺寸小;环境要求,户外安装,需要满足NEMA 3R (IP24)要求;户外使用,所有连密封,表面处理满足ISO12944  标准C5 I/M使用环境要求,  15年使用寿命要求;高低温要求-39OC到55OC;车载运输,满足震动要求;快速反应,需要快速插拔,一次电缆和二次控制系统;全球应用,50/60Hz,转换开关旋择,配备具有关合能力的接地开关,产品及配套元器件需要满足IEEE/IEC/GB标准,低压连接箱CE认证。

一次方案:断路器发电机侧配有电压互感器、电流互感器、电容吸收器、避雷器、带电显示器及接地开关;断路器线路侧配有电流互感器、电压互感器、带电显示器;发电机中性点侧经电流互感器到接地变压器,接地电阻器实现高阻接地。


图5 车载发电机真空断路器开关柜单线图

TM2500开关柜直接与发电机相连接,在发电机两侧,分别有线路侧和中性点侧边柜,用于与发电机端子相连,线路侧边柜与母线桥、转接柜连接到开关柜;开关柜由两台开关柜组成为一户外箱,为实现结构、重量要求,开关柜宽度按从2米减为1.8米,通过采用开关柜贴框架的型式设计防水户外箱,采用低压电流互感器等措施重量减少20%+,完全符合重量小于3吨的要求;发电机中性点侧边柜安装有4个2500/5的二次绕组电流互感器,采用环氧浇铸块状型式电流互感器需要两个,而采用4个穿心式低压互感器则尺寸、重量大为减少,铜排经穿心电流互感器后短接,电缆连接到辅助柜内部的中性点变压器,变压器二次端连接到中性点电阻。

TM2500开关柜有一次电缆连接箱,每相可安装4根500平方电缆,电缆密封采用ROXTEC密封件保证防护等级;低压侧则所有外部连接线连接到专用快速插拔箱内,按电流、电压等功能集中到快速插拔座内,现场只需将插拔头插入即实现连接。

图6 车载发电机真空断路器开关柜布置示意图

燃气发电,清洁、高效,而车载移动发电更加灵活、迅速。

6. 结语

真空断路器体积小,重量轻,用于小型发电机的出口保护可以灵活配置,现有发电机真空断路器的最大额定电流可达6700A,开断电流75kA,可用于最大到170MW的发电机;随着真空开断技术的不断进步,开断电流越来越大的真空断路器将研发出来,从而可以进一步发挥发电机真空开关柜的安全性、环保性、灵活性等特点,可广泛应用于清洁能源、调峰电站等小型燃气发电机、水轮发电机设备中;如车载燃气发电具有灵活性、快速性,从运输到供电前后仅需两周时间,而搭建一座传统发电站并投运则需要三到六个月,对于救急抢险、灾后重建等临时供电保证起到重要作用。针对不同发电机的应用,有针对的系统设计开关柜解决方案,定制化设计,可以满足客户特殊需求。


法腾电力是Schneider施耐德中低压柜授权盘厂,专注生产MVnex授权柜BlokSeT预智低压成套设备,欢迎咨询!

本文网址:https://www.shfateng.com/news/1671588955.html

相关新闻:

网站地图 | 主营区域: 北京   安徽   广西   河北   湖北   湖南   山东   上海   天津   重庆
Copyright © 法腾电力科技有限公司All rights reserved. 沪ICP备2021017219号-2

遇到问题?请给我们留言

请填写您的真实手机号码,我们将尽快回复您