我们现在有很多国外项目,有些人认为只要电压一样就可以直接应用。电压包括额定电压和额定绝缘电压,光看额定电压而不去看额定绝缘电压也是不行的,由于标准不同,国际有IEC标准,各个国家有相应的国标,有些用户有自己的采购标准,因此必须仔细核对客户的技术参数要求,才能确定电压是否可以。
如澳大利亚、菲律宾等地,同样是12kV的额定电压,工频耐受电压是IEC标准的中性点直接接地系统,标准规定的28kV,远低于GB标准42kV,但雷电冲击耐受电压是95kV,比GB 标准规定的75kV高出2万伏,因此虽然都是12kV,但国内常规的12kV产品就不能满足要求。
对于17.5kV开关柜,工频耐受电压38kV,雷电冲击耐受电压95kV,由于国内没有这一电压等级开关柜,普遍采用24kV开关柜替代,尺寸大,成本高。除了电压和绝缘电压之外,以下一些不同,也需要在项目初期注意,避免后期FAT出现问题。
额定频率,频率对于开关柜特别是断路器影响较大。严格意义上说,50Hz开关设备不能应用到60Hz系统,60Hz的设备也不能完全应用到50Hz系统中,这不仅仅是以大带小的问题。断路器开断能力50/60Hz不能互相覆盖。
控制电压的不同部分国家原采用美标NEMA标准,因此控制电压沿用美标规定范围值,这些要求控制电压范围更广,需要验证低电压下分合闸特性,是否符合标准,如24V操作电压,最低电压只有14V,需要线径加大减少电压降。

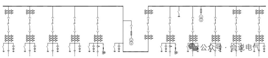
中性点接地和不接地系统试验项目也有所不同,需要按试验室要求进行试验。使用环境的要求,国外各个地区环境不同,如中东等地要求环境温度最大50OC, 24小时平均值最大45,年平均值30OC,最低-10OC。最大相对湿度100%,与标准使用环境不同,需要试验验证。典型的一次系统如图所示

IEC市场开关柜典型一次方案
因此对产品的安全性、产品尺寸、应用方案的紧凑等要求高,减少一台柜子,意味着占地面积小,开关室投资少。使用母线接地开关作为主母线检修时接地,安全、方便、可靠;母线电压互感器安装在柜顶,可以减少一台母线设备柜,进线柜配有接地开关,和电压互感器,电压互感器作为进线的一部分,安装在电缆室里,手车式结构无需触头盒、活门机构组成的单独隔室。
单母线分段,每段母线设有母线接地开关、柜顶部母线电压互感器;进线带接地开关、电压互感器,母联柜和部分出线柜配备母线侧电流互感器,母线提升柜配备接地开关和电压互感器,实现该段母线的电压量测和检修接地。
来源:会说电气