UL热线:13916126869咨询热线:021-67558777
法腾电力科技有限公司
智能云平台
当前位置: 首 页>> 新闻资讯>> 行业新闻>> 北美数据中心中低压开关柜

北美数据中心中低压开关柜

发布日期:2026-02-07 作者:法腾电力 点击:

美国数据中心,由于不同的设备有不同的标准,如美国低压开关柜采用UL891低压配电盘,UPS装置则需要满足UL9540A、UL1973等认证。因此不能做成一个排列。另外UPS发热量很大,会对开关柜温升造成影响。

因此配电盘一个排列,UPS单独排列,配电盘出线与UPS通过电缆连接。UL891配电盘结构紧凑,对于数据中心应用,需要2台3000/4000A框架断路器安装在一台1米宽的配电盘内部,或是4台2000A框架断路器安装在柜宽550mm的配电盘中。柜前维护需要增加侧柜用于进出线铜排、电缆连接。
对于中压引入的,采用紧凑型满足IEEE C37.20.9型气体绝缘开关柜,或者C37.20.3标准箱式空气绝缘开关柜。传统美标中压铠装开关柜或是金属封闭开关柜,对于数据中心应用都存在问题,铠装开关柜双层布置,出线回路多,但柜体高度一般需要90英寸(2286mm),深度也要95英寸(2413mn )尺寸都过大,且需要柜前、柜后维护通道,因此无法安装在小型预制仓或撬动底座上。
金属封闭开关柜尺寸更大,15kV宽度38英寸(965mm),27kV宽度 48英寸(1219mm),38kV宽度60英寸(1524mm),因此应用受限。因此充气柜应用较多,38kV气体绝缘开关柜尺寸小,电缆柜前连接,适用于数据中心应用。

对于北美预制仓式数据中心,一般采用非标外箱设计,带走廊的户外开关柜尺寸根据内部设备定义,根据运输尺寸定义整体式还是现场拼装结构,开关柜具有通风、冷却、灭火、内部电弧压力释放等设施,因此开关柜尺寸自定义,以满足功能需要、安全可靠为主。

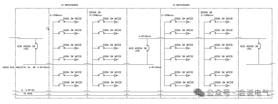
低压开关柜主配电采用IEEE C37.20.1/UL1558标准低压铠装开关柜 而更多的分配电则采用安装密度高、运维简单的UL891标准低压配电盘。数据中心大量配电回路,UL891配电盘非常适用于该应用场景。

UL891低压配电盘额定电流最大可达6000A,短路电流最大可达200kA,进线、母联采用具有UL认证的框架断路器,一般断路器固定安装,而在数据中心应用,客户会要求采用抽出式框架断路器。

UL891 DEAD FRONT SWITCHBOARD,意外着前部与带电体完全隔离,不允许随意打开,需要专用工具打开,这也就减少了柜内分隔防止触电的防护,以及必要的防止触电机械、电气联锁。
对于抽出式断路器,就要求采用门板代替前部盖板。门板打开后,需要防触电的隔板,断路器上部隔室,方便安装ATS控制器等控制、保护、监测等装置。主母线安装在柜后,成组布置(Group type MCCB)塑壳断路器直接固定在垂直母排上,安装密度高,一台开关柜可以安装32个150A塑壳断路器,24个250A塑壳断路器,6个1200A塑壳断路器等等,这为数据中心要求高冗余提供了小型化方案。同样一台开关柜可以安装4台1600A框架断路器,柜后充足空间满足电缆连接,不论顶部还是底部进线都非常方便,满足柜前维护要求。

主母线水平柜后布置,与变压器直接相连,上下两组主母线,为进线、母联提供了高效解决方案。两组主母线都可以连接出线回路,不论是框架断路器出线还是成组塑壳断路器出线,都可以与上下两组水平母线连接,出线连接不受影响。深度小,可靠墙安装,从柜前可以实现拼柜、母线连接、电缆连接等等所有工作。


来源:会说电气

本文网址:https://www.shfateng.com/news/1770434182.html

相关新闻:

网站地图 | 主营区域: 北京   安徽   广西   河北   湖北   湖南   山东   上海   天津   重庆
Copyright © 法腾电力科技有限公司All rights reserved. 沪ICP备2021017219号-2

遇到问题?请给我们留言

请填写您的真实手机号码,我们将尽快回复您